询价车 (
0
)
Toggle Navigation
询价车 (
)
关于晨达
公司简介
历史沿革
实验测试
英国 BSRIA 泄漏率测试通过
澳洲国家实验室 VIPAC
文式阀测试报告
台北科技大学性能测试通过
工程实绩
高科技电子厂
药厂医院
厂房商业大楼
机关学校
自动化生产设备
专业认证
研发专利成果
品质认证
美国FM认证(ETFE认证)
美国FM认证(ECTFE认证)
ISO 品质认证
OHSAS 认证
服务据点
台北总公司
林口厂
嘉义厂
嘉义涂装厂
产品介绍
矩型风管系列
机械成型风管概论
CGF机械成型风管
TDF机械成型风管
TDF-II机械成型风管
角铁法兰风管
矩型管件系列
矩型风门系列
集风箱系列
消音风管系列
弯头顺风片系列
风管补强系列
风口管件系列
检修门系列
圆型风管系列
螺旋风管概论
螺旋风管系列
一般圆管系列
圆型管件系列
控制风门系列
风箱风口系列
法兰连接系列
检修门系列
制程排气系列
CRD® 的标准管件
制程排气风门系列
CRD® 风管系统
CRD® 的利基
CRD® 的优点
质量保证
CRD® 的设计与选择之标准
ETFE / ECTFE 涂装风管安装注意事项
文式阀系列
主要应用
文式阀特点
文式阀构件
符合标准与测试
文式阀规格表
文式阀管径对照表
文式阀控制系统选用参考
驱动器
伸缩软管系列
风管吊架系列
C型钢吊架
双C型钢吊架
角铁吊架
轻型避震吊架
重型避震吊架
避震吊环
单吊
管束
P型夹
扁铁双吊
立管管束
座式鞍座
避震帆布接头系列
一般型避震帆布接头
212℉ 防火型避震帆布接头
500℉ 防火型避震帆布接头
避震帆布接头
耐酸碱帆布 (CBF-FLEX)
耐燃帆布 (NEO-FLEX)
配件系列
TDF-II 法兰条
CGF 双片式法兰弯角(直管专用)
CGF 法兰弯角(管件专用)
TDF 法兰弯角
TDF-II 法兰弯角
法兰夹
螺丝夹
保温钉
新型保温钉
防滑扣片
防摆斜撑
铝箔胶带
内套
旋转接头
测试孔
万向吊架
全牙吊杆
软管束带
三合一法兰专用工具
分流把手
风门专用手把/奥姆
PE 法兰垫片
EPDM 法兰垫片
软性铁氟龙(SEALON)垫片
规格表
标准型螺旋风管规格表
加强型及冲孔型螺旋风管规格表
轮焊管及平接管规格表
平铁法兰规格表
角铁法兰规格表
制程排气风管规格表
弯头中心值对照表
ETFE/ECTFE 涂装的抗化学性能
热门产品
电子型录
最新消息
联络我们
空调风管
网站地图
Home
产品介绍
圆型风管系列
圆型管件系列
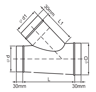
R-T6 大小斜三通
R-T6 大小斜三通
型号 :
R-T6 大小斜三通
数量 :
加入询价车
相关产品
型号 : R-OR 升降管
加入询价车
E90 90°虾节弯头
型号 : R-90 90°蝦節彎頭
加入询价车
45T 45°斜T三通
型号 : R-T4 45°斜三通
加入询价车
E 45 45°虾节弯头
型号 : R-45 45°蝦節彎頭
加入询价车
型号 : P-90 外保溫90°彎頭
加入询价车
ER 偏心大小头
型号 : R-ER 偏心大小頭
加入询价车
© 2026 台北公司 All rights reserved.